Telefon:
062/8939592
Adresa:
Slovačka 58,
21211 Kisač
„Spider“ ili tačkasti nosač za staklene ograde je specifičan nosač koji omogućava fiksiranje staklenih panela u vertikalnom položaju, čineći da ograde izgledaju „lebdeće“ i minimalističke. Tačkasti nosači su idealni za ograde u enterijeru i eksterijeru, naročito u situacijama gde se želi otvorenost prostora, kao što su stepeništa, terase, balkoni, bazeni i druge javne ili privatne oblasti.
1. Oblik i dizajn:
2. Materijali:
3. Funkcija:
Spideri ili tačkasti nosači za staklene ograde postali su veoma popularni u savremenom dizajnu ogradnih sistema, posebno zbog svoje sposobnosti da kombinuju funkcionalnost, sigurnost i estetiku u jednom rešenju. Evo nekoliko ključnih razloga zašto su spideru najbolji izbor za staklene ograde:
Spideri ili tačkasti nosači za staklene ograde predstavljaju vrhunsko rešenje za moderne, minimalističke ograde. Svojim jednostavnim, ali efikasnim dizajnom omogućavaju da se stakleni paneli sigurno postave i čine vizuelno nevidljivim, što stvara osećaj prostranosti i svetlosti u prostoru. Uz sigurnost, dugotrajan materijal i atraktivan izgled, ovi nosači su postali popularni izbor u savremenoj arhitekturi i dizajnu enterijera i eksterijera.
| Polished | Satin | Black Matt | ||
| Glass Adapter 50/10 | M6 | |||
| M10 | - | - | ||
| M12 | - | - |
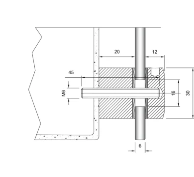
Ø nosača 50 mm i odstojnik između zida i stakla 10 mm
Završna obrada mat i crna mat
Dimenzije navoja M10 i M12
Materijal inox AISI 304
| Polished | Satin | Black Matt | ||
| Glass Adapter 50/20 | M6 | |||
| M10 | - | - | - | |
| M12 | - | - | - |
Ø nosača 50 mm i odstojnik između zida i stakla 20 mm
Završna obrada sjaj, mat i crna mat
Dimenzije navoja M10 i M12
Materijal inox AISI 304
| Polished | Satin | Black Matt | ||
| Glass Adapter 50/30 | M6 | |||
| M10 | - | - | - | |
| M12 | - | - | - |
Ø nosača 50 mm i odstojnik između zida i stakla 30 mm
Završna obrada sjaj, mat i crna mat
Dimenzije navoja M10 i M12
Materijal inox AISI 304
| Polished | Satin | Black Matt | ||
| Glass Adapter 50/40 | M6 | |||
| M10 | - | - | ||
| M12 | - | - |
Ø nosača 50 mm i odstojnik između zida i stakla 40 mm
Završna obrada mat i crna mat
Dimenzije navoja M10 i M12
Materijal inox AISI 304
| Polished | Satin | Black Matt | ||
| Glass Adapter 40/10 | M6 | |||
| M10 | - | - | ||
| M12 | - | - |
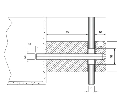
Ø nosača 40 mm i odstojnik između zida i stakla 10 mm
Završna obrada mat i crna mat
Dimenzije navoja M10 i M12
Materijal inox AISI 304
| Polished | Satin | Black Matt | ||
| Glass Adapter 40/20 | M6 | |||
| M10 | - | - | - | |
| M12 | - | - | - |
Ø nosača 40 mm i odstojnik između zida i stakla 20 mm
Završna obrada sjaj, mat i crna mat
Dimenzije navoja M10 i M12
Materijal inox AISI 304
| Polished | Satin | Black Matt | ||
| Glass Adapter 40/30 | M6 | |||
| M10 | - | - | - | |
| M12 | - | - | - |
Ø nosača 40 mm i odstojnik između zida i stakla 30 mm
Završna obrada sjaj, mat i crna mat
Dimenzije navoja M10 i M12
Materijal inox AISI 304
| Polished | Satin | Black Matt | ||
| Glass Adapter 40/40 | M6 | |||
| M10 | - | - | ||
| M12 | - | - |
Ø nosača 40 mm i odstojnik između zida i stakla 40 mm
Završna obrada mat i crna mat
Dimenzije navoja M10 i M12
Materijal inox AISI 304
| Polished | Satin | Black Matt | ||
| Glass Adapter 30/10 | M6 | - | - | - |
| M10 | ||||
| M12 |
*uz ovaj model ide i navojni komad M6×35mm
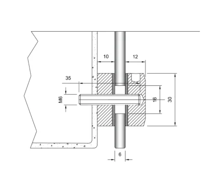
Ø nosača 30 mm i odstojnik između zida i stakla 10 mm
Završna obrada sjaj, mat i crna mat
Dimenzije navoja M6
Materijal inox AISI 304
| Polished | Satin | Black Matt | ||
| Glass Adapter 30/20 | M6 | - | - | - |
| M10 | ||||
| M12 |
*uz ovaj model ide i navojni komad M6×45mm
Ø nosača 30 mm i odstojnik između zida i stakla 20 mm
Završna obrada sjaj, mat i crna mat
Dimenzije navoja M6
Materijal inox AISI 304
| Polished | Satin | Black Matt | ||
| Glass Adapter 30/30 | M6 | - | - | - |
| M10 | ||||
| M12 |
*uz ovaj model ide i navojni komad M6×55mm
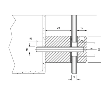
Ø nosača 30 mm i odstojnik između zida i stakla 30 mm
Završna obrada sjaj, mat i crna mat
Dimenzije navoja M6
Materijal inox AISI 304
| Polished | Satin | Black Matt | ||
| Glass Adapter 30/40 | M6 | - | - | - |
| M10 | ||||
| M12 |
*uz ovaj model ide i navojni komad M6×65mm
Ø nosača 30 mm i odstojnik između zida i stakla 40 mm
Završna obrada sjaj, mat i crna mat
Dimenzije navoja M6
Materijal inox AISI 304
45, 120 i 160 mm
Dimenzije navoja M10 i M12
| L (mm) | M10 | M12 | |
| Nerđajući čelik | 160 | - | |
| 120 | - | ||
| 45 | - | ||
| Čelik | 160 | - | |
| 120 | - | ||
| 45 | - |
Naš ključ je dizajniran da se lako stežu nosači, a pri tom da priđe nesmetano svim pozicijama nosača.
• Upuštena strana nosača koja naleže na zid – prednost je što se izbegavaju
neravnine zida oko ankera i ubrzava montaža jer ne mora da se
čisti zaprljani navoj od tečnog ankera. Podloška se jednostavno navrne
i našteluje.
• Deo nosača koji naleže na zid ima navoj pomoću kojeg se precizno
šteluje vertikala stakla.
Elegantan izgled dela nosača koji steže staklo. Dužina navoja u njemu je povećana na 17 mm što majstoru dodatno olakšava montažu i ubrzava posao, bez zadržavanja oko preciznog beleženja i skraćivanja ankera.
Ima toleranciju do 10 mm.
